



Preise inkl. gesetzlicher MwSt. zzgl. Versandkosten im Ausland
LiRo Maxi "MF-SG" 150 kg mit MultiflanschI 4- und 5-Loch Befestigung
Mit dem LiRo Maxi MF-SG erwerben Sie einen hochwertigen Sonnenschirm-Ständer, dessen patentierte, weltweit einzigartige Konstruktion es Ihnen ermöglicht, den eingesetzten Sonnenschirm in aufrechter Körperhaltung an jede beliebige Stelle auf Ihrer Terrasse zu verfahren. Die Variable 4- und 5 Loch-Flanschbefestigung erlaubt die Befestigung von unterschiedlich großen 4- und 5-Loch-Flanschverbindungen. So können Sie Sonnenschirme und Ampelschirme endlich da aufstellen, wo er auch wirklich benötigt wird. Edles Design und kompakte Abmessungen - Der LiRo ist nicht nur praktisch, sondern auch ein besonderer Blickfang, der perfekt zu hochwertigen Outdoormöbeln passt und sich in jedes Ambiente harmonisch einfügt. Um einen sicheren Stand zu gewährleisten, dürfen nur Sonnenschirme eingesetzt werden, die gemäß den Angaben des Sonnenschirmherstellers keine höheren Gewichte erfordern als das Ständergewicht.
LiRo Maxi MF-SG 150
Mobiler Sonnenschirmständer mit Rollen
Ganz leicht können Sie die verschiedenen Liro-Sonnenschirmständer in aufrechter Körperhaltung bequem und einfach an jede beliebige Stelle verfahren. Hierzu neigen Sie die Teleskopstange zur Seite, das Liftsystem hebt den Schirmständer und sie können diesen verschieben. Gummierte Rollen und Standfüße verhindern Kratzspuren auf dem Terrassenbelag. Durch stetige Luftzirkulation entsteht keine Schimmelbildung unter dem Schirmständer auf der Terrasse.
Liro Maxi 150 MF-SG - 4- und 5-Loch-Flanschbefestigung
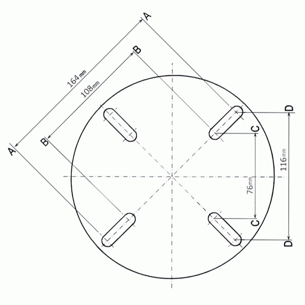
Dieser Liro-Schirmständer mit seiner 4- und 5-Loch-Flanschaufnahme ist geeignet für verschiedene Ampelschirme mit einer 4- und 5-Loch Befestigungen. Die technischen Abmesssungen (Skizzenbild) finden Sie unten dargestellt. Das Standrohr Ihres Sonnenschirms wird einfach auf den Flansch des Schirmständers aufgeschraubt. Es sind beide Flanschplatten im Lieferumfang inbegriffen.
Schirmständer 150 kg ist z.B. geeignet für: Glatz Sombrano S+ und einige Shademaker Ampelschirme
Der Schirmständer mit Flanschaufnahme ist geeignet für Ampelschirme mit 4- und 5-Loch Befestigungen, Abmesssungen siehe Skizzenbilder


| Kategorie: | Sockel |
| Sockelform: | rund |
| Hersteller: | Nertes |
| Sockelgewicht: | 150 kg |
| Geeignet für Modell: | Sirius, Sombrano, Sombrano S+ |
| Abmessungen: | Ø 90 x 25 cm |
| Modell: | Maxi MF-SG 150 kg |
| Material: | Beton mit Kunststoffabdeckung |
| Name: | Nertes GmbH |
| Adresse: | Gewerbepark 17, 24983 Handewitt, Deutschland |
| Kontakt: | info@nertes.de |